| HEAVY DUTY dro FORGED CASTERS | |||
| CAPACITIES TO 3,500# | |||
| STANDARD FEATURES | |||
| HEAVY DUTY HOT FORGED TOP PLATE AND YOKE base | |||
| 1045 STEEL | |||
| DEELPY GROOVED DOUBLE BALL BEARING RACEWAY WITH 1/2" | |||
| HARDENED BALL BEARINGS | |||
| BRIGHT ZINC PLATED | |||
| 3/8" THICK ROUNDED EDGE STEEL LEGS, DOUBLE WELDED | |||
| 1" DIAMETER HEAT TREATED KING PIN AND NUT | |||
| 3/4" AXLE BOLT AND LOCK NUT | |||
| GREASE FITTING IN YOKE base AND WHEEL | |||
| HARDENED AND GROUND SPANNER BUSHING WITH HOLE AND | |||
| GREASE GROOVE | |||
| APPLICATIONS | |||
| HEAVY DUTY POWER DRAWN EQUIPMENT | |||
| MACHINERY DOLLIES | |||
| PRODUCTION FIXTURES | |||
| PORTABLE STEEL STORAGE RACKS | |||
| HEAVY DUTY WORK BENCHES | |||
| DIE TABLES | |||
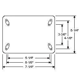
| TOP PLATE DIMENSION AND BOLT HOLE PATTERN | |||
| 5-1/4x7-1/4 TOP PLATE | |||
| BOLT HOLE PATTERN SLOTTED 3-3/8x5-1/4 TO 4-1/8x6-1/4 | |||
| ATTACHING BOLT SIZE 1/2" | |||
| OPTIONS | |||
| 4 POSITION SWIVEL LOCK (WSL) , (BSL) | |||
| NEOPRENE SEALS | |||
| SEALED PRECISION BALL BEARINGS | |||
| (ConTACT FACTORY) | |||
| WHEEL FACE ConTACT BRAKE | |||
| BEARING OPTIONS | |||
| R-ROLLER BEARING | |||
| D-DELRIN | |||
| P-PRECISION | |||
| B-BALL BEARING | |||
| S-SLEEVE or PLAIN BEARING | |||
| T-TAPERED BEARING | |||
| Dia meter |
Width | Wheel Material | Capacity(lbs.) | Load Height | Swivel Number | Swivel Weight | Rigid Number |
Rigid Weight |
Bearing Type |
| 5 | 3 | POLYURETHANE/STEEL | 1300 | 7 | -90S530-PUR | 23.00 | -90R530-PUR | 18.00 | ROLLER |
| 6 | 2-1/2 | RUBBER ON STEEL | 700 | 8 | -90S625-RSR | 20.00 | -90R625-RSR | 15.75 | ROLLER |
| POLYURETHANE/STEEL | 1600 | -90S625-PUR | 24.50 | -90R625-PUR | 20.25 | ROLLER | |||
| EASY ROLLING PU ON STEEL | 1600 | -90S625-EZPUR | 26.50 | -90R625-EZPUR | 24.50 | ROLLER | |||
| EASY ROLLING PU ON STEEL | 1600 | -90S625-EZPUT | 26.50 | -90R625-EZPUT | 24.50 | TAPERED BEARING | |||
| SEMI STEEL | 1800 | -90S625-SSR | 24.50 | -90R625-SSR | 20.25 | ROLLER | |||
| DUCTILE STEEL | 3500 | -90S625-DSR | 26.50 | -90R625-DSR | 24.50 | ROLLER | |||
| DUCTILE STEEL | 3500 | -90S625-DST | 26.50 | -90R625-DST | 24.50 | TAPERED BEARING | |||
| EZROLLING DUCTILE STEEL | 3500 | -90S625-CDSR | 26.50 | -90R625-CDSR | 24.50 | ROLLER | |||
| V-GROOVE | 2000 | -90S625-VGR | 24.50 | -90R625-VGR | 20.50 | ROLLER | |||
| DUCTILE V-GROOVE | 3500 | -90S625-DVGT | 26.50 | -90R625-DVGT | 24.50 | ROLLER | |||
| PHENOLIC | 1600 | -90S625-PHR | 18.00 | -90R625-PHR | 13.75 | ROLLER | |||
| 6 | 3 | RUBBER ON STEEL | 750 | 8 | -90S630-RSR | 23.76 | -90R630-RSR | 19.80 | ROLLER |
| RUBBER ON STEEL | 750 | -90S630-RST | 25.76 | -90R630-RST | 23.76 | TAPERED BEARING | |||
| POLYURETHANE/STEEL | 2000 | -90S630-PUR | 26.84 | -90R630-PUR | 22.88 | ROLLER | |||
| EASY ROLLING PU ON STEEL | 2000 | -90S630-EZPUR | 28.84 | -90R630-EZPUR | 26.84 | ROLLER | |||
| EASY ROLLING PU ON STEEL | 2000 | -90S630-EZPUT | 28.84 | -90R630-EZPUT | 26.84 | TAPERED BEARING | |||
| HEAVY-DUTY PU ON STEEL | 2000 | -90S630-EXR | 30.84 | -90R630-EXR | 28.84 | ROLLER | |||
| HEAVY-DUTY PU ON STEEL | 2000 | -90S630-EXT | 30.84 | -90R630-EXT | 28.84 | TAPERED BEARING | |||
| SEMI STEEL | 2500 | -90S630-SSR | 25.96 | -90R630-SSR | 22.00 | ROLLER | |||
| DUCTILE STEEL | 3500 | -90S630-DSR | 27.96 | -90R630-DSR | 25.96 | ROLLER | |||
| DUCTILE STEEL | 3500 | -90S630-DST | 27.96 | -90R630-DST | 25.96 | TAPERED BEARING | |||
| EZROLLING DUCTILE STEEL | 3500 | -90S630-CDSR | 27.96 | -90R630-CDSR | 25.96 | ROLLER | |||
| EZROLLING DUCTILE STEEL | 3500 | -90S630-CDST | 27.96 | -90R630-CDST | 25.96 | TAPERED BEARING | |||
| DUCTILE V-GROOVE | 3500 | -90S630-DVGR | 28.00 | -90R630-DVGR | 26.00 | ROLLER | |||
| DUCTILE V-GROOVE | 3500 | -90S630-DVGT | 28.00 | -90R630-DVGT | 26.00 | TAPERED BEARING | |||
| PHENOLIC | 2000 | -90S630-PHR | 20.00 | -90R630-PHR | 15.75 | ROLLER | |||
| 8 | 2-1/2 | RUBBER ON STEEL | 850 | 10-1/2 | -90S825-RSR | 23.50 | -90R825-RSR | 18.75 | ROLLER |
| POLYURETHANE/STEEL | 2000 | -90S825-PUR | 27.00 | -90R825-PUR | 22.75 | ROLLER | |||
| EASY ROLLING PU ON STEEL | 2000 | -90S825-EZPUR | 29.00 | -90R825-EZPUR | 26.75 | ROLLER | |||
| EASY ROLLING PU ON STEEL | 2000 | -90S825-EZPUT | 29.00 | -90R825-EZPUT | 26.75 | TAPERED BEARING | |||
| SEMI STEEL | 1900 | -90S825-SSR | 27.00 | -90R825-SSR | 22.75 | ROLLER | |||
| DUCTILE STEEL | 3500 | -90S825-DSR | 29.00 | -90R825-DSR | 26.75 | ROLLER | |||
| DUCTILE STEEL | 3500 | -90S825-DST | 29.00 | -90R825-DST | 26.75 | TAPERED BEARING | |||
| EZROLLING DUCTILE STEEL | 3500 | -90S825-CDSR | 29.00 | -90R825-CDSR | 26.75 | ROLLER | |||
| V-GROOVE | 2500 | -90S825-VGR | 25.50 | -90R825-VGR | 21.25 | ROLLER | |||
| DUCTILE V-GROOVE | 3500 | -90S825-DVGR | 28.00 | -90R825-DVGR | 25.75 | ROLLER | |||
| PHENOLIC | 2000 | -90S825-PHR | 21.25 | -90R825-PHR | 17.00 | ROLLER | |||
| 8 | 3 | RUBBER ON STEEL | 900 | 10-1/2 | -90S830-RSR | 27.28 | -90R830-RSR | 23.32 | ROLLER |
| RUBBER ON STEEL | 900 | -90S830-RST | 29.28 | -90R830-RST | 27.03 | TAPERED BEARING | |||
| POLYURETHANE/STEEL | 2500 | -90S830-PUR | 31.02 | -90R830-PUR | 27.06 | ROLLER | |||
| EZROLLING DUCTILE STEEL | 3500 | -90S830-CDSR | 28.84 | -90R830-CDSR | 26.59 | ROLLER | |||
| EZROLLING DUCTILE STEEL | 3500 | -90S830-CDST | 28.84 | -90R830-CDST | 26.59 | TAPERED BEARING | |||
| HEAVY-DUTY PU ON STEEL | 3500 | -90S830-EXR | 35.00 | -90R830-EXR | 33.00 | ROLLER | |||
| HEAVY-DUTY PU ON STEEL | 3500 | -90S830-EXT | 35.00 | -90R830-EXT | 33.00 | TAPERED BEARING | |||
| SEMI STEEL | 2500 | -90S830-SSR | 26.84 | -90R830-SSR | 22.88 | ROLLER | |||
| DUCTILE STEEL | 3500 | -90S830-DSR | 28.84 | -90R830-DSR | 26.59 | ROLLER | |||
| DUCTILE STEEL | 3500 | -90S830-DST | 28.84 | -90R830-DST | 26.59 | TAPERED BEARING | |||
| EASY ROLLING PU ON STEEL | 2500 | -90S830-EZPUR | 33.02 | -90R830-EZPUR | 30.77 | ROLLER | |||
| EASY ROLLING PU ON STEEL | 2500 | -90S830-EZPUT | 33.02 | -90R830-EZPUT | 30.77 | TAPERED BEARING | |||
| V-GROOVE | 2800 | -90S830-VGR | 25.96 | -90R830-VGR | 22.00 | ROLLER | |||
| DUCTILE V-GROOVE | 3500 | -90S830-DVGR | 27.96 | -90R830-DVGR | 25.71 | ROLLER | |||
| DUCTILE V-GROOVE | 3500 | -90S830-DVGT | 27.96 | -90R830-DVGT | 25.71 | TAPERED BEARING | |||
| PHENOLIC | 2500 | -90S830-PHR | 22.25 | -90R830-PHR | 18.00 | ROLLER | |||
| 10 | 2-1/2 | RUBBER ON STEEL | 950 | 12-1/2 | -90S1025-RSR | 28.00 | -90R1025-RSR | 23.75 | ROLLER |
| POLYURETHANE/STEEL | 2200 | -90S1025-PUR | 30.00 | -90R1025-PUR | 25.75 | ROLLER | |||
| EASY ROLLING PU ON STEEL | 2200 | -90S1025-EZPUR | 32.00 | -90R1025-EZPUR | 29.75 | ROLLER | |||
| SEMI STEEL | 2000 | -90S1025-SSR | 30.00 | -90R1025-SSR | 25.75 | ROLLER | |||
| DUCTILE STEEL | 3500 | -90S1025-DSR | 32.00 | -90R1025-DSR | 29.75 | ROLLER | |||
| PHENOLIC | 2500 | -90S1025-PHR | 24.00 | -90R1025-PHR | 23.75 | ROLLER | |||
| 10 | 3 | RUBBER ON STEEL | 1000 | 12-1/2 | -90S1030-RSR | 30.58 | -90R1030-RSR | 26.62 | ROLLER |
| RUBBER ON STEEL | 1000 | -90S1030-RST | 32.58 | -90R1030-RST | 30.33 | TAPERED BEARING | |||
| POLYURETHANE/STEEL | 3000 | -90S1030-PUR | 35.86 | -90R1030-PUR | 31.90 | ROLLER | |||
| EASY ROLLING PU ON STEEL | 3000 | -90S1030-EZPUR | 37.86 | -90R1030-EZPUR | 35.61 | ROLLER | |||
| EASY ROLLING PU ON STEEL | 3000 | -90S1030-EZPUT | 37.86 | -90R1030-EZPUT | 35.61 | TAPERED BEARING | |||
| HEAVY-DUTY PU ON STEEL | 3500 | -90S1030-EXR | 40.00 | -90R1030-EXR | 37.80 | ROLLER | |||
| HEAVY-DUTY PU ON STEEL | 3500 | -90S1030-EXT | 40.00 | -90R1030-EXT | 37.80 | TAPERED BEARING | |||
| SEMI STEEL | 2500 | -90S1030-SSR | 32.56 | -90R1030-SSR | 28.60 | ROLLER | |||
| DUCTILE STEEL | 3500 | -90S1030-DSR | 34.56 | -90R1030-DSR | 32.31 | ROLLER | |||
| DUCTILE STEEL | 3500 | -90S1030-DST | 34.56 | -90R1030-DST | 32.31 | TAPERED BEARING | |||
| EZROLLING DUCTILE STEEL | 3500 | -90S1030-CDSR | 34.56 | -90R1030-CDSR | 32.31 | ROLLER | |||
| EZROLLING DUCTILE STEEL | 3500 | -90S1030-CDST | 34.56 | -90R1030-CDST | 32.31 | TAPERED BEARING | |||
| V-GROOVE | 3500 | -90S1030-VGR | 39.00 | -90R1030-VGR | 34.75 | ROLLER | |||
| DUCTILE V-GROOVE | 3500 | -90S1030-DVGR | 40.00 | -90R1030-DVGR | 37.75 | ROLLER | |||
| DUCTILE V-GROOVE | 3500 | -90S1030--DVGT | 41.00 | -90R1030--DVGT | 38.75 | TAPERED BEARING | |||
| PHENOLIC | 2900 | -90S1030-PHR | 26.00 | -90R1030-PHR | 21.75 | ROLLER | |||
| 12 | 3 | RUBBER ON STEEL | 1200 | 15-1/2 | -90S1230-RSR | 37.73 | -90R1230-RSR | 33.77 | ROLLER |
| RUBBER ON STEEL | 1200 | -90S1230-RST | 39.73 | -90R1230-RST | 37.48 | TAPERED BEARING | |||
| POLYURETHANE/STEEL | 3500 | -90S1230-PUR | 45.32 | -90R1230-PUR | 41.36 | ROLLER | |||
| EASY ROLLING PU ON STEEL | 3500 | -90S1230-EZPUR | 47.32 | -90R1230-EZPUR | 45.07 | ROLLER | |||
| EASY ROLLING PU ON STEEL | 3500 | -90S1230-EZPUT | 47.32 | -90R1230-EZPUT | 45.07 | TAPERED BEARING | |||
| HEAVY-DUTY PU ON STEEL | 3500 | -90S1230-EXR | 49.50 | -90R1230-EXR | 47.10 | ROLLER | |||
| HEAVY-DUTY PU ON STEEL | 3500 | -90S1230-EXT | 49.50 | -90R1230-EXT | 47.10 | TAPERED BEARING | |||
| SEMI STEEL | 2500 | -90S1230-SSR | 40.92 | -90R1230-SSR | 36.96 | ROLLER | |||
| DUCTILE STEEL | 3500 | -90S1230-DSR | 42.92 | -90R1230-DSR | 40.67 | ROLLER | |||
| DUCTILE STEEL | 3500 | -90S1230-DST | 42.92 | -90R1230-DST | 40.67 | TAPERED BEARING | |||
| EZROLLING DUCTILE STEEL | 3500 | -90S1230-CDSR | 42.92 | -90R1230-CDSR | 40.67 | ROLLER | |||
| EZROLLING DUCTILE STEEL | 3500 | -90S1230-CDST | 42.92 | -90R1230-CDST | 40.67 | TAPERED BEARING | |||
| PHENOLIC | 3500 | -90S1230-PHR | 29.25 | -90R1230-PHR | 25.00 | ROLLER |
For more details, please direct inquiry to us, Thank You !


